其次是atto disk benchmark,可以看到其最高持续读取、写入性能基本维持在1.9gb/s、1.85gb/s,速度表现同样非常出色。而且从512kb开始,速度基本保持不变,非常稳定。

再次是disk speed test测试,该测试能体现其在视频传输方面的性能。从结果来看,持续写入速度为1710.3mb/s、持续读取速度为1750.7mb/s,表现亮眼。视频支持方面可以覆盖8k视频的读写需求、12k视频部分格式的读写需求,满足非专业级的视频创作没有问题。

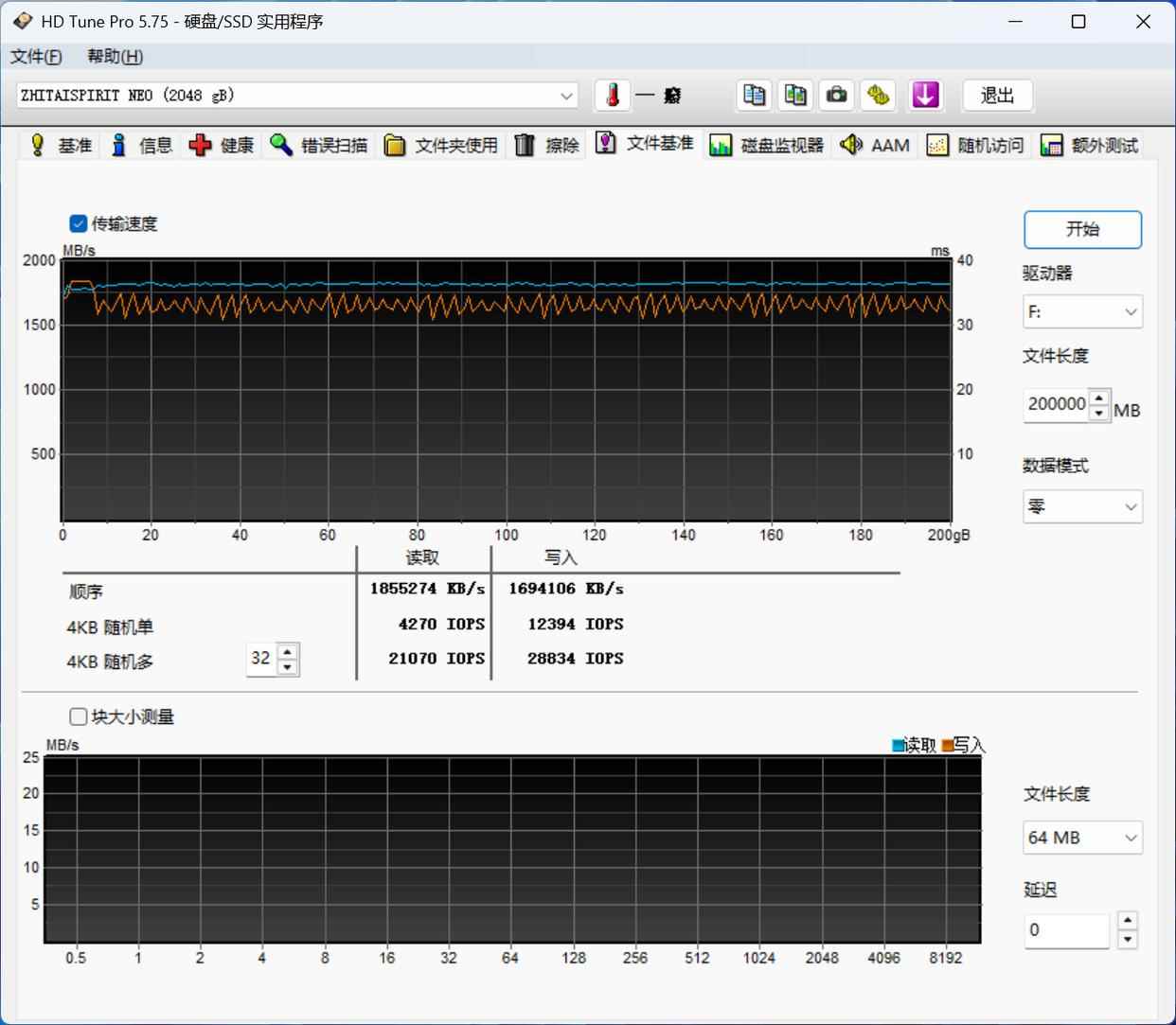
持续性能方面,通过hd tune pro持续读写200gb,从得到的曲线可以看到,全程没有掉速,表现相当惊艳。大多数用户单次传输文件的数据量应该低于200gb,这意味着绝大多数数据传输操作都可保持高速传输状态。

最后是pcmark10的数据盘基准测试,该测试并非体现极限性能,而是综合性能。最终得到1397分的成绩,在移动固态硬盘中属于第一梯队。其中带宽为217.86mb/s,平均存取时间为117μs。

从以上理论性能测试的结果可以看到,致态灵·潮流版移动固态硬盘的性能表现相当出色,最高2000mb/s的读写性能,以及出色的传输稳定性,在目前移动固态硬盘市场中都属于行业顶尖水平,能够为用户提供非常优秀的存储体验。
四、全盘读写测试及表面温度表现
我们进一步探索了致态灵·潮流版移动固态硬盘的极限性能。使用fio进行了全盘读写测试,bs=128k,io深度为32,其中写入数据量为1908gib(2049gb),读取数据量为1900gib(2040gb)。
得到全盘写入的最终速度稳定在847mib/s(888mb/s),表现相当给力!全盘读取的最终速度则稳定在1596mib/s(1673mb/s),表现同样亮眼,几乎全程不掉速。


表面温度方面,我们在测试接近尾声的时候,记录了致态灵·潮流版移动固态硬盘正面和背面的最高温度。其中正面最高温度在靠近usb-c接口的位置,在46.6℃左右;背面最高温度出现的位置同样靠近usb-c接口,温度要低一些,为43.2℃左右。估计该位置为主控芯片。实际手感温热,手持并没有任何不适,发热表现也相当出众。

五、游戏性能测试
考虑到部分用户可能会将游戏存储于移动固态硬盘中,便于在不同设备间游玩,所以也进行了游戏相关测试。
首先是3dmark存储基准测试,最终得到的分数为1176分,表现优秀。测试也详细罗列了其在具体游戏中的带宽表现,可以看到加载游戏的平均值基本在220mb/s左右,这一点与前面的pcmark10数据盘基准测试基本保持一致。而在更看重持续读写性能的移动游戏部分则是904.8mb/s,考虑到游戏文件较多,且大小不一,如此传输速度已经非常优秀了。

其次是《最终幻想15 online》的benchmark测试,在4k高画质的设置下,全部的载入时间为10.751秒,表现非常优秀,实际玩家等待的时间会比较短。

六、软件体验
软件生态方面,致态提供了致态天枢大师移动固态硬盘(win桌面应用)、致态加密软件(win桌面应用)以及致态备份管家(支持安卓和鸿蒙设备),方便用户管理数据,了解致态灵·潮流版移动固态硬盘的状态。
致态天枢大师移动固态硬盘的功能非常丰富,用户不仅可以看到移动固态硬盘的设备状态,包括健康度、已用空间、加密状态、s.m.a.r.t.信息,同时还提供了固件升级、设备优化、安全擦除、文件备份等功能,特别是安全擦除和文件备份功能,对于存储重要数据的用户来说非常方便。



同时它也提供了致态加密软件的快捷启动。致态加密软件设计非常纯粹,主要是加密移动固态硬盘,保证数据安全。

致态备份管家则是致态面向移动设备用户推出的软件,主要就是方便用户备份。目前推出了安卓和鸿蒙版本(支持鸿蒙4.0系统),暂时没有ios版本。其提供了相册、通讯录、音频和文档备份,用户可以选择开启或关闭某个类型的备份。备份过程完全自动,操作简单,极大缓解了移动设备存储空间不足的问题。

七、总结
致态灵·潮流版移动固态硬盘是一款综合素质极为优秀的移动固态硬盘,不仅有着非常出众的持续读写性能和优秀的传输稳定性,而且在设备兼容性和软件体验方面也是现阶段的第一梯队水平,特别是出众的便携性和磁吸功能可以直连以iphone为代表的智能手机,极大方便了用户进行视频创作,无论是学生用户记录校园生活,还是自媒体拍摄产品镜头,亦或者年轻父母记录孩子的成长瞬间等等,它都能够为用户提供便捷、高效、可靠的使用体验。此外致态灵·潮流版移动固态硬盘的id设计青春时尚,个性十足,非常契合年轻群体的审美,它将成为移动存储领域的标杆性产品,值得推荐。
发表评论